Inverted Metallurgical Microscope
XJL-17
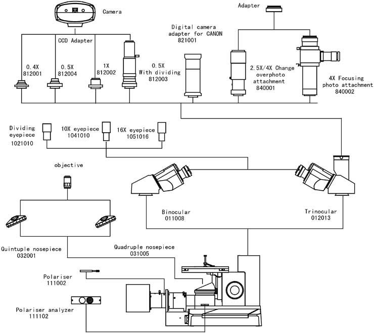
XJL-17 series metallurgical microscopes are used for identification and analysis of the structures in different metals and alloys. They are the important instruments for researching metallography in metal physics. The instruments can select special photography device to take euploid pictures of atlas metallograph. The instruments are suitable for scientific research、colleges and factory.
Features:
Plan achromatic objectives with long working distance (no cover glass) and wide-field eyepieces, can get clear pictures and wide view field.
Coaxial coarse/fine focus system, with tension adjustable, minimum division of fine focusing: 2μm.
6V 20W halogen lamp, brightness control.
Trinocular is compensation, can switch to observe normally or to observe the Polarize, can send 100% of light to top photography port



